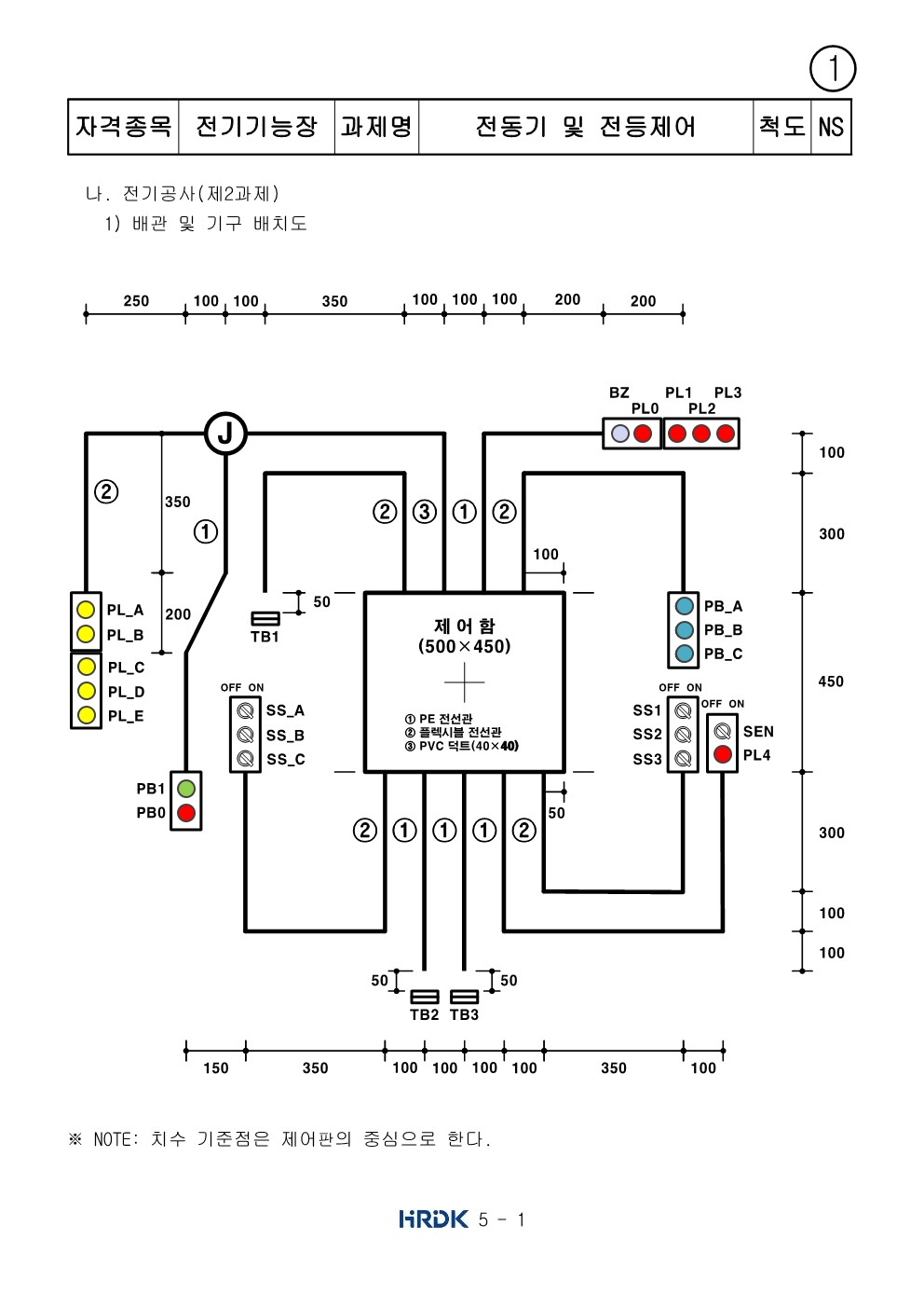
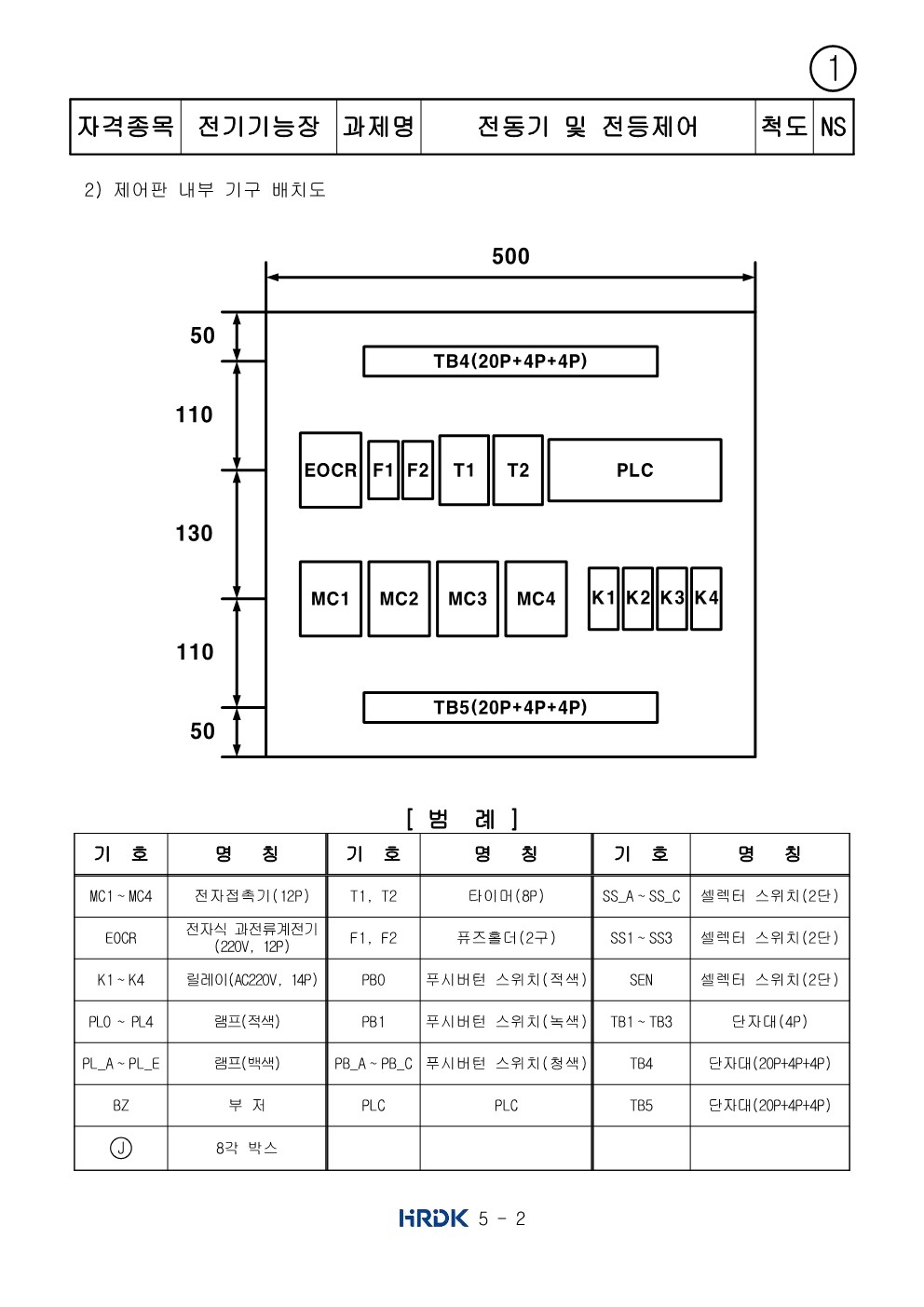
전기기능장 공개도면
공개도면
전기기능장 수험자를 위한 자료입니다 since 2024. made by 램프를켜라
램프 색상 끄기
전기기능장 공개도면 1 번
전기기능장 공개도면 2 번
전기기능장 공개도면 3 번
전기기능장 공개도면 4 번
전기기능장 공개도면 5 번
전기기능장 공개도면 6 번
전기기능장 공개도면 7 번
전기기능장 공개도면 8 번
전기기능장 공개도면 9 번
전기기능장 공개도면 10 번
◀
이전도면
다음도면
(도면 : )
▶
(도면 : )
◀
이전도면
다음도면
(도면 : )
▶
(도면 : )
◀
이전도면
다음도면
(도면 : )
▶
(도면 : )
◀
이전도면
다음도면
▶
◀
이전도면
다음도면
▶
공개도면은 한국산업인력공단에서 다운로드 받은 자료입니다